联系我们 contact us
0755-23500973
- 手机:
- 137 6026 2620
- 经理:
- 何经理
- 邮箱:
- jesion.he@ac-led.com.cn
- 地址:
- 深圳市光明区公明街道上村上辇工业区5栋3楼
UV深紫光杀菌消毒恒流驱动IC
作者:华芯 来源:本站 发表时间:2020-03-31 16:24:03 浏览:次
DC12V/DC24V UV紫光恒流设计
UV恒流驱动器
◆外围简单、恒流精度高。
◆无EMI问题,轻松过认证。
◆体积小、使用方便。
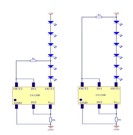
小电流UV驱动HX212-2A120R

锂电供电,先升压,后分布式恒流设计:
锂电供电,先升压,后分布式恒流设计:
后分布式恒流设计,单个灯分别控制:

分布式恒流设计优点:
每路UV灯单独控制电流,每路电流稳定,任何一路故障,不影响其它灯工作,是恒流电路中最稳 定恒流设计架构!!!
大电流UV驱动HX303
上一条 : DC48V电动车灯恒流驱动IC应用
下一条 : 低压灯条软灯带R90恒流驱动IC