网站公告:
LED驱动及电源管理IC专业方案设计企业_深圳市华芯光电有限公司,我们恭迎您的来电! 诚信为本:市场在变,诚信永远不变...
全国服务热线:0755-23500973
导航分类News
联系我们 contact us
0755-23500973
手机:
137 6026 2620
经理:
何经理
邮箱:
jesion.he@ac-led.com.cn
地址:
深圳市光明区公明街道上村上辇工业区5栋3楼
企业新闻News
磁吸灯轨道灯智能家居照明共阳极调光无频闪LED恒流驱动IC
作者:  来源:本站  发表时间:2023-05-22 09:17:58   浏览:

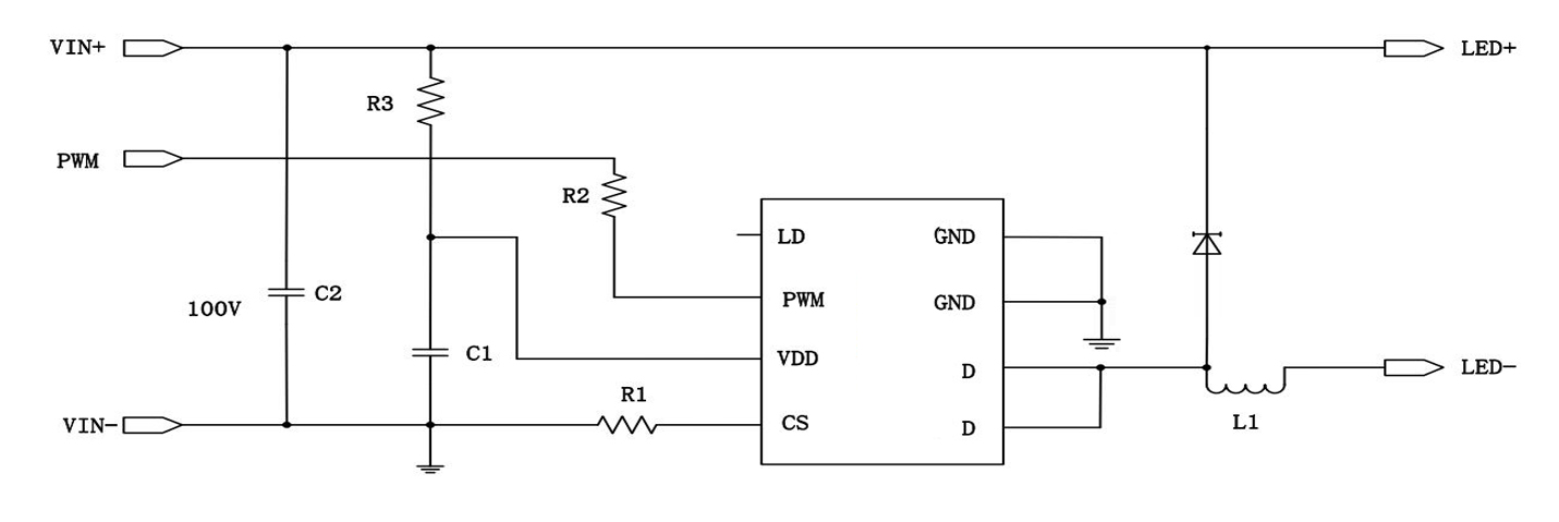
HX3226是专门为智能调光调色照明研发设计的降压型LED恒流驱动芯片,支持PWM调光/ 模拟调光/ 0-10V调光/ DALI调光。

HX3226系列适用于LED磁吸灯、舞台灯、景观亮化照明、洗墙灯、摄影补光灯、智能家居照明、台灯等低压照明方案中

智能照明前级+DC后级采用明和SL8701现实全程无频闪调光,双路共阳,低辉度时调光无抖动,无跳变,调光曲线平滑,调光深度千分之一,非常好的调光效果体验。可做WIFI调光,蓝牙调光,2.4G调光。

HX3226是一款外围电路简单的多功能平均电流型LED 恒流驱动器,适用于宽电压范围的非隔离式大功率恒流LED 驱动领域。

HX3226支持65536级高辉度调光,65536:1高辉度调光比,支持高辉高刷,调光频率范围1KHz-25KHz,支持高频调光无频闪。

特点

支持高辉调光,65536:1 占空调光比

宽输入电压:5-100V

平均电流工作模式

高效率:最高可达 95%

输出电流可调范围 60mA~1.8A

内驱 100V/6A 的 MOS

内置 5.5V 稳压管

最大工作频率 1MHz

恒流精度≤±3%

支持 PWM/模拟/分段调光

PWM调光频率可达30K

封装:SOP8

原理图