- 手机:
- 137 6026 2620
- 经理:
- 何经理
- 邮箱:
- jesion.he@ac-led.com.cn
- 地址:
- 深圳市光明区公明街道上村上辇工业区5栋3楼
『HX212-2A120R高品质.高性价比.恒流灯条方案』
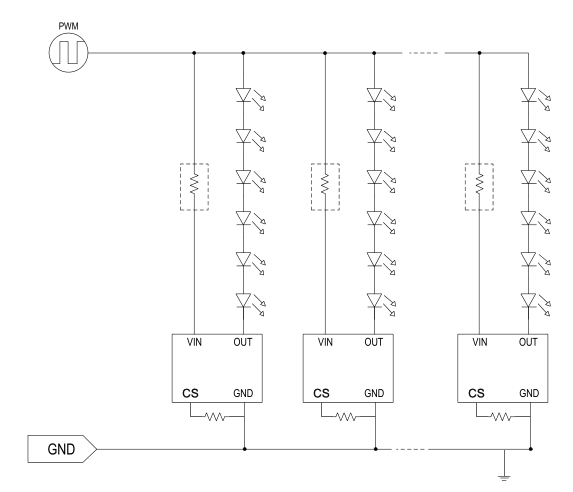
-单端供电50米前后亮度一致-
|
编号 |
型号 |
封装 |
电流 |
耐压 |
实物 |
丝印 |
主要应用 |
售价 |
|
1 |
HX212A |
SOT23-6 |
5-120ma可调 |
60V |
|
2A120R |
12/24V/36V/48V恒流灯带/模组 |
|
硬灯条,软灯条,灯带,广告模组的恒流IC解决方案,完美解决了因电源电压衰减造成的LED亮度不一致问题。
分布式恒流架构工作方式:大大减少了LED的光衰,大大增加了产品的使用寿命,大大增加了产品工作稳性;最适合于高端用户:
适合地铁/公交/商场等高端工程订单,日/韩/台湾/欧美出品订单,3-5年以上质保订单的市场需求。
优势评估:
R 温控功能,可根据应用条件,调节温度。
R 灯带单线PWM调光,支持高频率,16K上无纹波,线性度好。
R SOT23-6L,大封装,散热好,软板防折短工艺。
R 耐压高,正、反接不烧灯。
R 输入电压范围宽,最高承受50V压差。

上一条 : 磁吸线性灯、射灯恒流驱动IC
下一条 : 摄影灯补光灯恒流驱动IC无极调光