联系我们 contact us
0755-23500973
- 手机:
- 137 6026 2620
- 经理:
- 何经理
- 邮箱:
- jesion.he@ac-led.com.cn
- 地址:
- 深圳市光明区公明街道上村上辇工业区5栋3楼
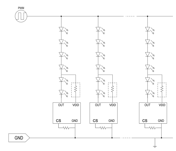
解决灯带恒流芯片痛点—R90恒流芯片
作者: 来源:本站 发表时间:2021-10-15 09:26:32 浏览:次
解决灯带恒流芯片痛点—— R90 恒流驱动器
◆灯带调光平滑、无噪声、不闪烁。(解决灯带调光问题 )
◆SOT23大封装,导热、散热好,机械应力大,软板无折断。(解决软板IC折断问题)
◆不加电容、无热拔插问题、多芯共用无谐振问题 。(解决电压波动烧坏问题 )
◆温控保护,当灯具温度升高时,IC启动温度保护功能,降低灯具温度。(解决高温应用保护问题)
◆外围电路简单、超稳定,“超高性价比!” (解决推广成本问题)
◆备货足,性价比高,供货快!快!快!
◆已经过多客户、大批量的长时间使用(3年以上)应用验证,可靠性有保障。(可靠性有保障)
PWM DIMMER
