联系我们 contact us
0755-23500973
- 手机:
- 137 6026 2620
- 经理:
- 何经理
- 邮箱:
- jesion.he@ac-led.com.cn
- 地址:
- 深圳市光明区公明街道上村上辇工业区5栋3楼
开关调光调色温高压线性无频闪驱动
作者:华芯 来源:本站 发表时间:2020-12-15 09:26:28 浏览:次
开关调光、变色高压线性恒流芯片
特点
1、墙壁开关调节色温和亮度功能
2、输出电流可调1-60MA,恒流精度可达±5%
3、具有过温保护功能,无EMC问题
4、芯片与PCB共用铝基板
5、线路简单,成本低
6、ESOP8封装
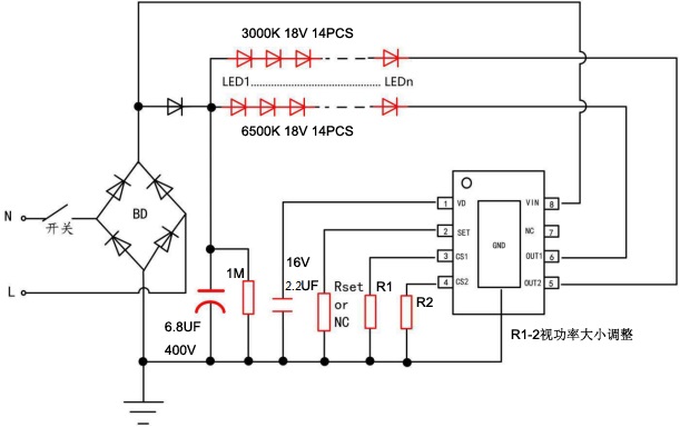
应用原理图 开关调色无频闪
应用场景
上一条 : UV紫光灯杀菌灯DC12V24V恒流驱动IC
下一条 : DC48V恒流芯片2A280R