- 手机:
- 137 6026 2620
- 经理:
- 何经理
- 邮箱:
- jesion.he@ac-led.com.cn
- 地址:
- 深圳市光明区公明街道上村上辇工业区5栋3楼
产品概述单路双通道线性恒流芯片
单路双通道线性恒流芯片
概述
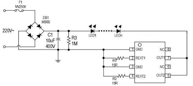
HX1000AH 是双通道LED恒流驱动控制芯片,芯片使用本司专利的恒流设定和控制技术, 输出电流由外接Rext 电阻设置最大可达100mA,且输出电流不随芯片OUT 端口电压而变化,较好的恒流性能。系统结构简单,外围元件极少,低成本方案低。
特点
Ø OUT端口输出电流外置可调
Ø 芯片间输出电流偏差<±4%
Ø 具有过热保护功能
Ø 芯片可与LED共用PCB板
Ø 芯片应用系统无EMI问题
Ø 线路简单、成本低廉
Ø 采用 ESOP-8 封装
产品应用
Ø LED球泡灯,吸顶灯,筒灯,灯丝灯,G9,横插灯,玉米灯等小体积灯具。
Ø LED日光灯管
Ø LED路灯照明应用
定购信息
|
定购代码 |
包装 |
打印 |
|
HX1000AH |
4000个/盘 |
1000AXXXX |
引脚图及说明
|
ESOP-8 |
序号 |
引脚名称 |
引脚说明 |
|
1 |
GND1 |
芯片地1 |
|
|
2 |
REXT1 |
输出电流值设置端1 |
|
|
3 |
GND2 |
芯片地2 |
|
|
4 |
REXT2 |
输出电流值设置端2 |
|
|
5 |
OUT2 |
芯片电源输入与恒流输出端口2 |
|
|
6 |
NC |
悬空 |
|
|
7 |
OUT1 |
芯片电源输入与恒流输出端口1 |
|
|
8 |
NC |
悬空 |
极限参数
|
参数 |
符号 |
范围 |
单位 |
|
OUT端口电压 |
VOUT |
-0.5~500 |
V |
|
OUT端口电流 |
IOUT |
5~100 |
mA |
|
工作温度 |
TOPT |
-40~120 |
℃ |
|
存储温度 |
TSTG |
-50~120 |
℃ |
|
ESD耐压 |
VESD |
2 |
KV |
热阻参数
|
符号 |
说明 |
ESOP-8 |
单位 |
|
RTHJA |
热阻(1) |
89.2 |
℃/W |
电气参数
(无特殊说明,TA=25℃)
|
符号 |
参数 |
条件 |
最小值 |
典型值 |
最大值 |
单位 |
|
VOUT_MIN |
OUT输入电压 |
IOUT=30mA |
10 |
-- |
-- |
V |
|
VOUT_BV |
OUT端口耐压 |
IOUT=0 |
450 |
-- |
-- |
V |
|
IOUT |
输出电流 |
-- |
10 |
-- |
100 |
mA |
|
IDD |
静态电流 |
VOUT=10V,REXT悬空 |
-- |
0.16 |
0.25 |
mA |
|
VREXT |
REXT端口电压 |
VOUT=10V |
-- |
0.6 |
-- |
V |
|
DIOUT |
IOUT片间误差 |
IOUT=20mA |
-- |
±4 |
-- |
% |
|
TSC |
电流负温度补偿起始点 |
-- |
-- |
130 |
-- |
℃ |
上一条 : HX3087D低谐波高功率因素PWM调光IC
下一条 : HX1010C单路恒功率高压线性恒流IC
