联系我们 contact us
0755-23500973
- 手机:
- 137 6026 2620
- 经理:
- 何经理
- 邮箱:
- jesion.he@ac-led.com.cn
- 地址:
- 深圳市光明区公明街道上村上辇工业区5栋3楼
HX1010C单路恒功率高压线性恒流IC
作者: 来源:本站 发表时间:2018-11-13 16:57:31 浏览:次
产品概述
单通道恒功率LED恒流驱动控制芯片
概述
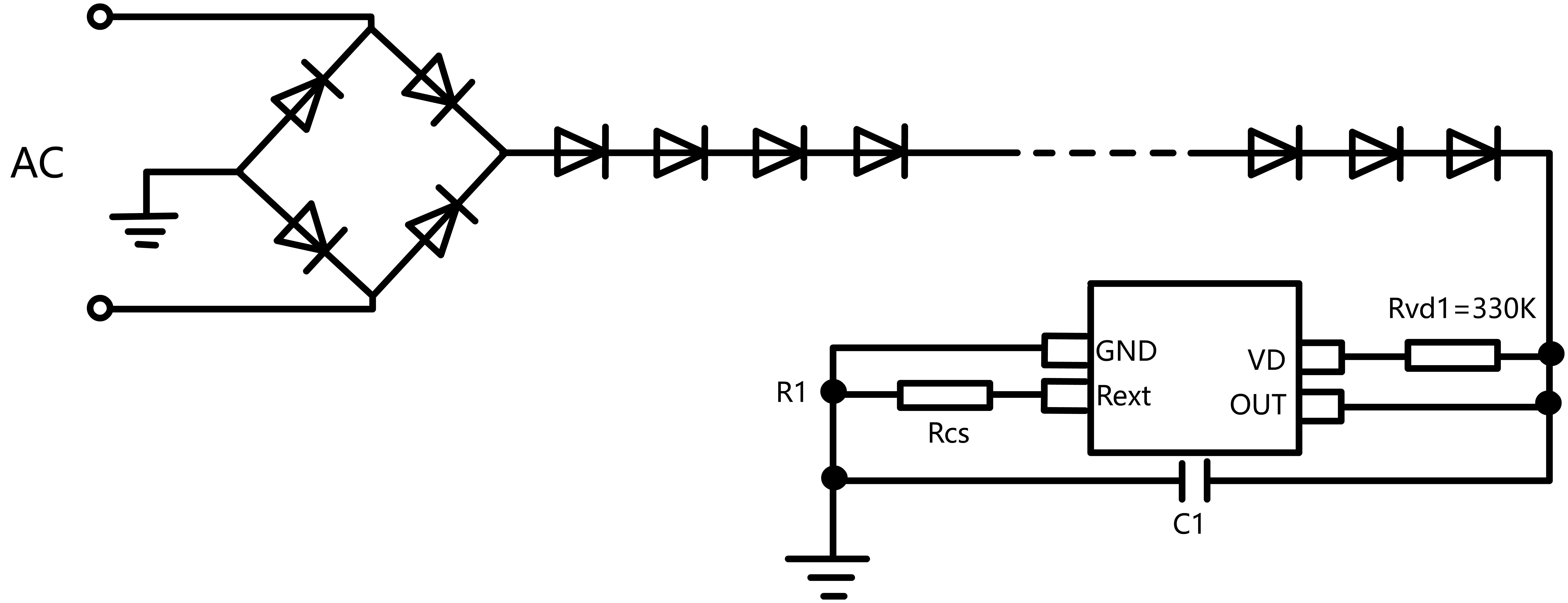
HX1010是一款高精度线性LED驱动芯片,应用于单段架构,系统结构简单,无磁性元件,外围元器件少,适用于市电直接供电的LED驱动一体化应用,方案成本低廉。
电流精度可控制在±3%以内,由外部电阻设定,峰值电流60mA ,可多芯片并联使用增加电流输出能力。
HX1010内置过温及过压自动降电流功能,提高了芯片的安全性和可靠性,具有多种保护功能,更安全,更可靠。
特点
输出电流可调5mA-60mA
恒流精度可以达到±3%
具有恒功率自动调节功能
具有过温保护功能
可多芯片并联使用
芯片应用线路无EMC
封装ESOP8
应用领域
LED球泡灯/筒灯/吸顶灯/日光灯管/高压灯条
LED日光灯管
HX1010是一款高精度线性LED驱动芯片,应用于单段架构,系统结构简单,无磁性元件,外围元器件少,适用于市电直接供电的LED驱动一体化应用,方案成本低廉。
电流精度可控制在±3%以内,由外部电阻设定,峰值电流60mA ,可多芯片并联使用增加电流输出能力。
HX1010内置过温及过压自动降电流功能,提高了芯片的安全性和可靠性,具有多种保护功能,更安全,更可靠。
特点
输出电流可调5mA-60mA
恒流精度可以达到±3%
具有恒功率自动调节功能
具有过温保护功能
可多芯片并联使用
芯片应用线路无EMC
封装ESOP8
应用领域
LED球泡灯/筒灯/吸顶灯/日光灯管/高压灯条
LED日光灯管
LED灯丝灯/ G9/MR16
典型示意电路图
附件规格书下载
上一条 : HX1000A高压线性恒流IC
下一条 : HX2088开关调光调色温芯片
