联系我们 contact us
0755-23500973
- 手机:
- 137 6026 2620
- 经理:
- 何经理
- 邮箱:
- jesion.he@ac-led.com.cn
- 地址:
- 深圳市光明区公明街道上村上辇工业区5栋3楼
DC48V球泡灯磁吸灯恒流驱动
作者:华芯 来源:本站 发表时间:2023-06-07 08:35:36 浏览:次
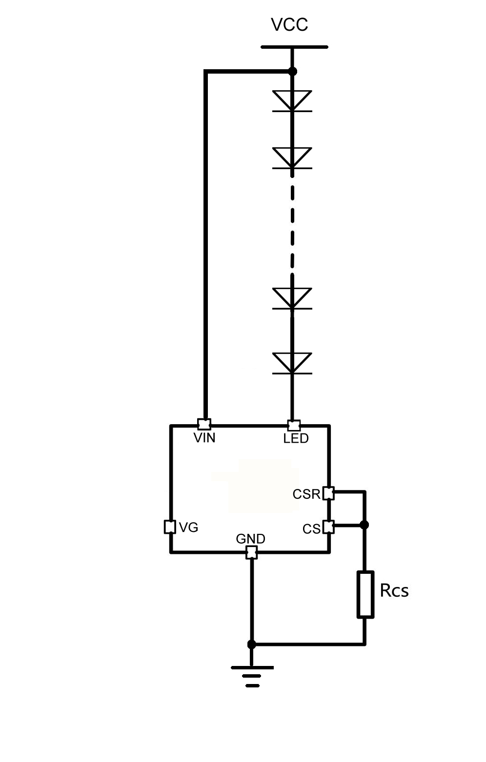
DC48V 磁吸灯、球泡灯恒流芯片forsinoco_HXE330
◆灯泡拼接长,解决压差问题,让灯首尾亮度一致。
◆IC与灯条一体化,节省空间,生产效率高,DOB结构可做超薄。
◆无EMI问题,外围简单,性能可靠、稳定 。
◆适用于DC5V 、12V、24V、36V、DC48V 恒压供电恒流照明灯具。
|
型号 |
输出电流 |
封装 |
最小输入电压V-min |
端口耐压 |
恒流转折 电压差Vdrop |
主要应用 |
技术描述 |
包装/盘 |
|
HXE330 |
350MA |
ESOP8 |
4.5V |
60V |
0.5V |
灯条、灯管、洗墙灯、射灯、 筒灯、磁吸灯等低压照明 |
/ |
4000PCS |
上一条 : LED车灯灯泡恒流驱动器
下一条 : RGB PWM调光芯片