网站公告:
LED驱动及电源管理IC专业方案设计企业_深圳市华芯光电有限公司,我们恭迎您的来电! 诚信为本:市场在变,诚信永远不变...
全国服务热线:0755-23500973
低压线性News
  • HX301B-1AXX系列低压灯条恒...

    HX301B-1AXX系列低压灯条恒流IC2018-11-13 10:22:05

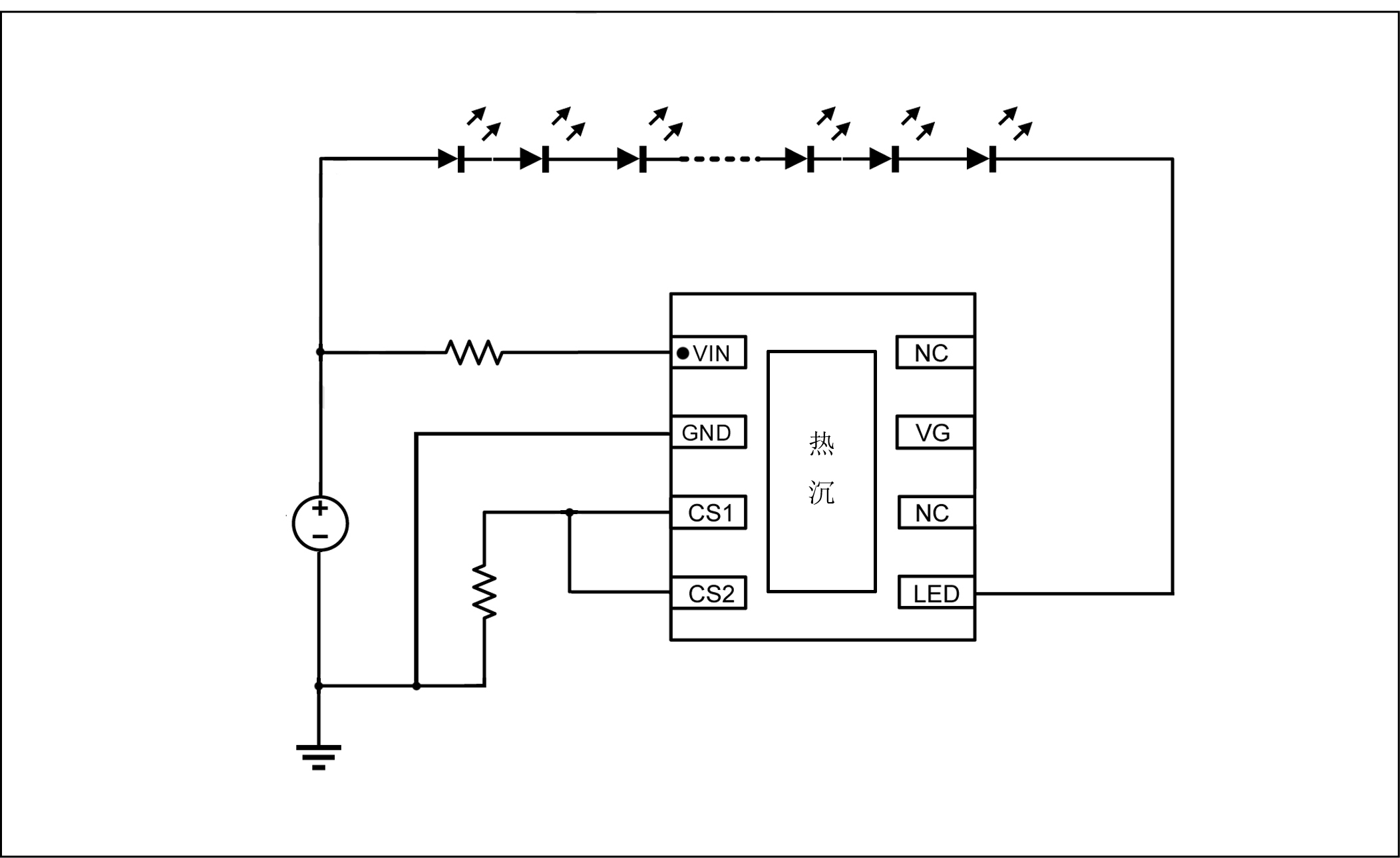
    产品说明:     HX301B是一款专为LED照明而设计的恒流驱动芯片。其采用了先进的高压COMS工艺制程,以及可靠,稳定的电路架构,保证了HX301B支持宽电压输入,并可以提供非常稳定的恒流输出。HX301B的电源电压线性调整率,负载调整率等恒流特性参数非常优异,可以有效地避免由于电源电压波动而造成的LED灯具的亮度变化。HX301B极低的启动...

  • 恒流二极管芯片NS20XX

    恒流二极管芯片NS20XX2019-08-02 13:14:51

    低压差、高精度、高效率低压恒流二极管NS20XX 概述 NS20XX是一款专为LED照明而设计的恒流驱动芯片。其采用了先进的高压COMS工艺制程,以及可靠,稳定的电路架构,保证了NS20XX支持宽电压输入,并可以提供非常稳定的恒流输出。 NS20XX的电源电压线性调整率,负载调整率等恒流特性参数非常优异,可以有效地避免由于电源电压波动而造成的LED灯...

  • 不加电感60V耐压可调温低压差线性恒...

    不加电感60V耐压可调温低压差线性恒流IC2019-09-06 09:33:46

    可调温中低压恒流驱动芯片HX312-2A280R 特点                                                 实物图 ◆60V耐压 ◆SOP8封装方式 ◆负载电流调变率小于0.5%/V ◆温度调整率不高于±0.35%...

  • 三路PWM调光恒流芯片forsino...

    三路PWM调光恒流芯片forsinoco_HXCR313B2023-10-18 09:12:37

    概述 HXCR313B是一款LED低压恒流驱动芯片,提供三通道恒定输出电流,电流通过外接电阻(Rext)进行设定,单通道电流输出最大300mA,输出端可承受最大电压达36V。 芯片的VCC电压范围为5~36V,低压差驱动,使得HXCR313B能够在宽驱动电压范围内提供稳定的电流输出。HXCR313B外围元件少,应用可靠性好,芯片内部包含高精度的带隙基准源,...

  • 超低压差恒流芯片R120-D

    超低压差恒流芯片R120-D2023-09-25 12:03:46

    特点实物图(SOT23-6) ◆输入40V耐压 ◆恒流拐点电压低:IOUT=120mA@VDS=0.2V ◆负载电流调变率小于0.5%/V ◆温度调整率不高于±0.35%/℃ ◆芯片具有过温保护高温下自动降电流 ◆SOT23封装具有良好的散热 概述 R120-D是一款适用于灯带、灯条和灯板等应用的中低压照明恒流驱动器,具有良好的抗冲击能力和高可靠性。...

  • DC36V恒流芯片hxcr501rp...

    DC36V恒流芯片hxcr501rp2023-05-09 09:39:21

    60V/500mA可调电流LED恒流驱动器 特点          封装图(ESOP8-2P)                                     ◆正向恒流60V耐压 ◆最大持续导通电流通过电阻可调,最大可达500mA ◆负温度系数随着温度的升...

  • 恒流二极管

    恒流二极管2023-03-09 09:43:03

    FORSINOCOCCR恒流驱动器NS2005NS2010NS2015NS2020NS2025NS2030NS2035NS2040NS2045NS2050 产品特色 ◆固定电流恒流驱动器,精度高 ◆固定电流设计,不需要外加电阻设定电流 ◆宽广电源设计,不需另外提供电源 ◆VDD电压范围1.5V-17V ◆可通过系统电源端或者地线端做PWM调光 ◆颗粒...

  • 超低压差恒流芯片R120-C

    超低压差恒流芯片R120-C2023-01-11 10:10:49

    可调电流、低压差LED恒流驱动器 特点 ◆耐压48V ◆恒流转折电压0.15V ◆负载电流调变率小于0.5%/V ◆温度调整率不高于±0.35%/℃ ◆最大持续导通电流120mA ◆芯片具有过温保护高温下自动降电流 ◆SOT23封装具有良好的散热 概述 R120-C是一款适用于灯带、灯条和灯板等应用的中低压照明恒流驱动器,具有良好的抗冲击能力...

  • 低压差线性恒流芯片HX303B

    低压差线性恒流芯片HX303B2022-07-05 14:04:00

    60V低压差线性恒流驱动器 概述 HX303B是一款耐压150V的低压线性大电流高精度LED驱动芯片,适合于输入5~60V电压范围的LED驱动,输出电流可调,仅需外接一个CS电阻就可以构成一个完整的恒流驱动电路,RCS电阻调节输出范围5-500MA,LED端口与GND之间的压差应根据输出电流与封装功耗决定,视散热状况而定,压差不要太大。 HX303B...

  • 48v灯条灯管双线调光芯片HX360...

    48v灯条灯管双线调光芯片HX360R2022-07-05 09:32:06

    中低压恒流驱动器 特点 ◆OUT端口80V耐压 ◆SOP8封装便于PCB布线 ◆负载电流调变率小于0.5%/V ◆温度调整率不高于±0.35%/℃ ◆带温度保护功能,可通过改变电阻Ra阻值来设定电流随温度的衰减速率及其温度保护点,便于用户灵活使用 ◆PWM信号控制开关 概述 HX360R是一款适用于低压灯条、灯板和低压照明应用的中低压(高达8...

  • 灯带灯条恒流芯片双线调光R60芯片

    灯带灯条恒流芯片双线调光R60芯片2022-06-09 09:25:18

    30V,可调电流,LED恒流驱动器 特点      实物图    (SOT23-4)                                     ◆正向恒流30V耐压 ◆负载电流调变率小于0.5%/V ◆温度调整率不高于±0.35%/℃ ◆最大持续导通...

  • 过温过压保护车灯恒流驱动器

    过温过压保护车灯恒流驱动器2020-09-16 08:28:51

    过温、过压保护车灯恒流驱动器HX327 特点 LED端口耐压100V 可设定过温、过压保护 最大输出电流1000mA 低压差启动0.5V(1000mA) 支持RGB输出共阳 芯片应用系统无EMI问题 原理图(具有过温、过压保护、耐压高、电流大,过EMC,车灯定...