网站公告:
LED驱动及电源管理IC专业方案设计企业_深圳市华芯光电有限公司,我们恭迎您的来电! 诚信为本:市场在变,诚信永远不变...
全国服务热线:0755-23500973
DC/DC恒流News
  • DC-DC大功率降压恒流驱动器for...

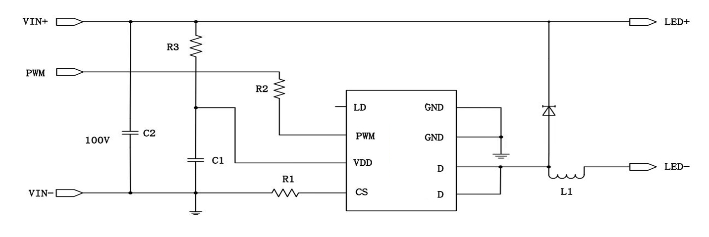
    DC-DC大功率降压恒流驱动器forsinoco_HXCR33172024-03-05 16:50:29

    说明 HXCR3317是一款外围电路简单的平均电流检测模式的降压型LED恒流驱动器。在输入电压高于LED电压时,可以有效地用于驱动一颗或者多颗串联LED。输出电流可调,最大可达10A。适用于6-100V电压范围的非隔离式恒流LED驱动领域。 HXCR3317外置功率开关和一个电流检测电路,可以使用外部电阻设置LED平均电流,并通过PWM引脚接收PWM调光。...

  • 48v灯条灯管磁吸灯调光芯片HXCR...

    48v灯条灯管磁吸灯调光芯片HXCR33162023-08-10 09:45:48

    HXCR3316是一款外围电路简单的连续电流模式的降压型LED恒流驱动芯片。在输入电压高于LED电压时,可以有效地用于驱动一颗或者多颗串联LED。输出电流可调,最大可达1A。适用于5-60V电压范围的非隔离式恒流LED驱动领域。 HXCR3316内置功率开关和一个高端电流检测电路,可以使用外部电阻设置LED平均电流,并通过PWM引脚接收PWM调光。PWM端...

  • DC48V宽压恒流驱动器

    DC48V宽压恒流驱动器2023-06-07 10:04:48

    60V/1.0A降压式LED恒流驱动器 说明 HXCR3316是一款外围电路简单的连续电流模式的降压型LED恒流驱动芯片。在输入电压高于LED电压时,可以有效地用于驱动一颗或者多颗串联LED。输出电流可调,最大可达1A。适用于5-60V电压范围的非隔离式恒流LED驱动领域。 HXCR3316内置功率开关和一个高端电流检测电路,可以使用外部电阻设置L...

  • 高辉度共阳开关降压恒流芯片

    高辉度共阳开关降压恒流芯片2022-09-23 08:57:19

    高辉度,共阳开关降压恒流芯片规格书 概述 HX3226是一款外围电路简单的多功能平均电流型LED恒流驱动器,适用于5-100V电压范围的降压BUCK大功率调光恒流LED领域。 芯片PWM端口支持超小占空比PWM调光,可响应最小60ns脉宽。PWM端口为高电平时,芯片正常工作。为低电平芯片时,芯片输出关闭。芯片采用平均电流控制算法,输出电流恒流精度≤±...

  • HX3315降压驱动DC3-40V经...

    HX3315降压驱动DC3-40V经典款2020-04-01 10:55:20

    40V/1.0A 降压式 LED 恒流驱动器 说明 HX3315是一款外围电路简单的连续电流模式的降压型 LED恒流驱动芯片。在输入电压高于LED电压时,可以有效地用于驱动一颗或者多颗串联LED。输出电流可调,最大可达1A。适用于3-36V电压范围的非隔离式恒流LED驱动领域。 HX3315内置40V功率开关和一个高端电流检测电路,可以使用外...

  • DC6-60V宽电压大电流车灯恒流驱...

    DC6-60V宽电压大电流车灯恒流驱动芯片HX32162019-12-06 08:50:47

          型号:HX3216\ 降压恒流芯片 \输入电压6-60V \ 输出电流3A\ 输出电压VIN-2.0V\封装ESOP8   主要应用:LED射灯、轨道灯、车灯                             ...

  • 6-30VDC-DC降压恒流IC

    6-30VDC-DC降压恒流IC2019-06-04 18:38:21

    60V、1.2A 降压LED 恒流驱动器 概述                                                            HX3211是一款连续电感电流导通模式的降压恒...

  • HX3335A DC-DC升压恒流芯...

    HX3335A DC-DC升压恒流芯片2018-11-19 14:15:53

    开关升压、高效率、高功率型恒流芯片规格书 概述 HX3335A是一款高效率高精度开关升压型大功率LED恒流驱动芯片。 HX3335A内置高精度误差放大器,振荡器,恒流驱动电路等,特别适合大功率、多个高亮度LED灯串恒流驱动。 HX3335A采用固定频率PWM控制方式,工作频率可通过外部电阻进行设置。 HX3335A内置频率...

  • HX3331B DC-DC升压恒流L...

    HX3331B DC-DC升压恒流LED驱动IC2018-11-19 14:15:03

    开关升压恒流芯片规格书 概述 HX3331B是一款高效率高精度开关升压型大功率LED恒流驱动芯片,HX3331B采用固定关断时间的锋值电流控制方式,关断时间可以通过外部电容进行调节,工作频率可以根据用户要求而改变。 HX3331B通过调节外置的电流采样电阻,能控制高亮度的LED灯的驱动电流,使LED灯亮度达到预期恒定亮度。 HX...

  • HX3330B DC-DC升压恒流L...

    HX3330B DC-DC升压恒流LED驱动IC2018-11-19 14:13:54

    内置MOS开关升压恒流芯片 概述 HX3330B是一款内置100V功率NMOS高效率高精度开关升压型大功率LED恒流驱动芯片。HX3330B采用固定关断时间的锋值电流控制方式,关断时间可以通过外部电容进行调节,工作频率可以根据用户要求而改变。 HX3330B通过调节外置的电流采样电阻,能控制高亮度的LED灯的驱动电流,使LED灯亮度达...

  • HX3328B DC-DC降压恒流L...

    HX3328B DC-DC降压恒流LED驱动IC2018-11-19 14:12:32

    内置MOS开关降压恒流芯片规格书 一、概述 HX3328是一款内置100V功率MOS高效率高精度开关降压型大功率LED恒流驱动芯片。HX3328采用固定关断时间的锋值电流控制方式,关断时间可以通过外部电容进行调节,工作频率可以根据用户要求而改变。 HX3328通过调节外置的电流采样电阻,能控制高亮度的LED灯的驱动电流,使LE...

  • HX3326A DC-DC降压恒流L...

    HX3326A DC-DC降压恒流LED驱动IC2018-11-19 14:12:04

    开关降压恒流芯片规格书 概述 HX3326是开关降压型高精度、高亮度LED恒流驱动控制器。HX3326通过一个外接电阻设定输出电流,最大输出电流可达5A;外围只需很少的元件就可以实现降压、恒流驱动功能,并可以通过DIM引脚实现辉度控制功能。 HX3326系统采用电感电流滞环控制方式,对负载瞬变具有非常快的响应,对输入电压具有高的抑制比...