网站公告:
LED驱动及电源管理IC专业方案设计企业_深圳市华芯光电有限公司,我们恭迎您的来电! 诚信为本:市场在变,诚信永远不变...
全国服务热线:0755-23500973
低压线性调光News
  • 低压线性PWM调光驱动90V/1A芯...

    低压线性PWM调光驱动90V/1A芯片HX3292020-10-28 15:02:49

    90V/PWM调光低压差LED恒流驱动器   概述                                                           HX329是一种高精度恒流LED大功率驱动芯片,输出电流可调,仅需一个外...

  • 灯带灯条无频闪PWM调光芯片fors...

    灯带灯条无频闪PWM调光芯片forsinoco_2a80r2024-03-06 12:23:02

    特点: ◆低压应用,安全,灯管接长亮度一致。 ◆60V耐压、外围简单、恒流精度高。 ◆无EMI问题,无干扰,轻松过认证。 ◆支持PWM高频20K调光。 ◆适用于12V、24V、36V、48V恒压供电分布式恒流。 概述 HXCR2A80R是一款内置高耐压功率器件恒流驱动器,适用于软灯带、硬灯条和照明灯板等应用的中低压照明恒流驱动器,具有良好的抗冲击能力和高...

  • 低压线性PWM调光驱动HX309B

    低压线性PWM调光驱动HX309B2023-09-05 14:39:55

    低压差LED恒流驱动器HX309B 特点实物图(ESOP-8) v单信道恒电流驱动器 v输出端口VP耐压150V v输出电流精度:±4% vPWM调光:最高频率20KHz v过热保护阈值:130℃ v支持RGB调光 概述 HX309B是一种高精度低压差恒流大功率LED驱动芯片,输出电流可调,仅需一个外接电阻可以构成一个完整的LED恒流驱动电路,调...

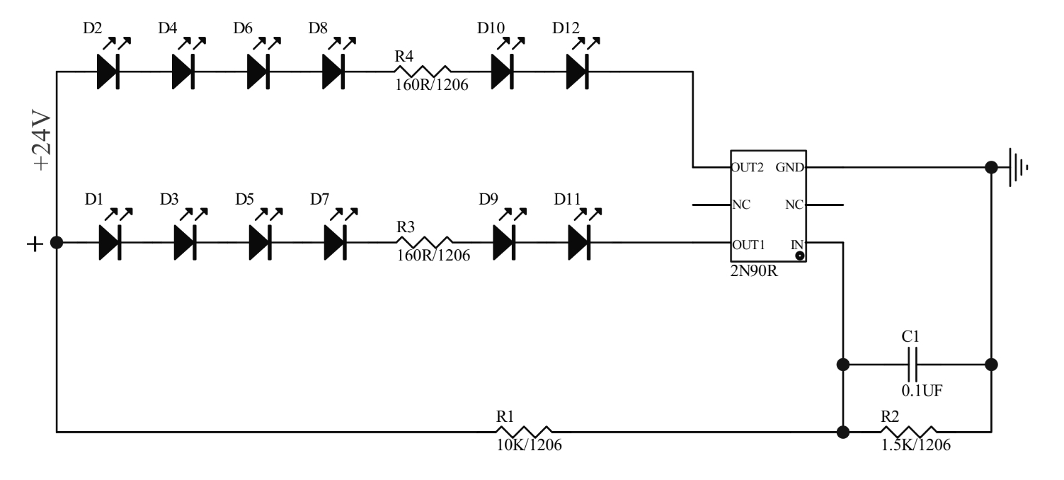
  • 灯带双色温调光调色芯片2N90R

    灯带双色温调光调色芯片2N90R2022-01-06 10:39:14

    灯带调色温芯片2N90R 应用说明: 将PWM调光器串联接入电源,使用两种色温不同的灯珠来实现色温调节,OUT1支路使用冷白色温灯珠,OUT2支路使用暖白色温灯珠。 调节色温过程如下:调光程度小时,输入端电压小,OUT1支路关闭,OUT2支路导通,此时表现为暖白色;随着调光程度逐渐变大,输入端电压增大,OUT1支路开始导通,OUT2支路...

  • 高耐压/PWM调光高频率/恒流芯片H...

    高耐压/PWM调光高频率/恒流芯片HX312-2A280D2019-11-27 16:31:15

    高耐压/高PWM调光频率/线性恒流芯片 特点 ◆调光频率最高500K ◆端口耐压60V ◆输入电压建议50V以内 ◆SOP8封装形式 ◆最大工作电流280mA ◆智能过温保护,温度保护点可通过外部Rbias电阻设定 概述 HX312-2A280D是一款恒流驱动器,具有宽范围可调输出电流(1mA至280MA)、高脉宽调制调光频率(高达500K)和智能过温保...

  • HX307低压差线性恒流IC

    HX307低压差线性恒流IC2018-11-13 13:45:15

    概述                              HX307是一种高精度恒流LED大功率驱动芯片,输出电流可调,仅需一个外接电阻可以构成一个完整的LED恒流驱动电路,调节该外接电阻就可以调节输出电流,输出电流可调范围为10mA到2A,VP引脚和GND引脚之间的压差电压应该是根据电流与...

  • HX304AD5T50低压线性恒流I...

    HX304AD5T50低压线性恒流ICPWM调光芯片2018-11-13 12:58:34

    PWM调光低压差高精度LED恒流芯片概述HX304是一款LED低压恒流驱动芯片,提供单通道恒定输出电流,电流通过外接电阻(RFB)进行设定,电流输出范围5~500mA,输出端可承受最大电压达42V。芯片的VCC电压范围为40V,低至0.3V的电流设定电,以及200mV低压差驱动,使得HX304能够在宽驱动电压范围内提供稳定的电流输出,极大增强恒流模组的级联能...