联系我们 contact us
0755-23500973
- 手机:
- 137 6026 2620
- 经理:
- 何经理
- 邮箱:
- jesion.he@ac-led.com.cn
- 地址:
- 深圳市光明区公明街道上村上辇工业区5栋3楼
大电流恒流二极管
作者: 来源:本站 发表时间:2020-08-11 11:31:36 浏览:次
产品概述
产品简介
大电流恒流二极管产品是一款简单易用的定电流驱动芯片,具有良好的负载与电源调变率和极小输出电流误差。该芯片采用线性恒流方式使LED工作在最佳状态,即使在大面积光源上,电源及负载大幅波动时都能让LED亮度均匀一致, 延长了LED使用寿命。该系列芯片采用了SOT89-3封装,类似常规恒流二极管 (CRD),通过内建的高稳定度线性恒流电路实现恒流输出,极大简化了应用难度。在高压电源和低LED负载电压的应用场合,可采用接入一颗高压MOSFET或BJT的方式来分摊多余电压,从而方便应用在市电通用照明场合。内建的过温保护电路,在管芯温度超过135℃时会自动平滑减小输出电流,实现良好的过温保护与提醒功能。
产品应用
HV-LED驱动、一般LED照明、LCD背光、LED手电筒、RGB装饰灯
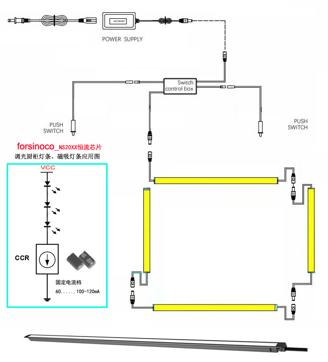
原理图
特点:
1、支持20K频率调光
2、精度高、一致性好,应用简单
应用场景

上一条 : 高精度固定电流恒流IC
下一条 : 过温过压保护车灯恒流驱动器