- 手机:
- 137 6026 2620
- 经理:
- 何经理
- 邮箱:
- jesion.he@ac-led.com.cn
- 地址:
- 深圳市光明区公明街道上村上辇工业区5栋3楼
产品概述HX3328B DC-DC降压恒流LED驱动IC
内置MOS开关降压恒流芯片规格书
一、概述
HX3328是一款内置100V功率MOS高效率高精度开关降压型大功率LED恒流驱动芯片。 HX3328采用固定关断时间的锋值电流控制方式,关断时间可以通过外部电容进行调节,工作频率可以根据用户要求而改变。
HX3328通过调节外置的电流采样电阻,能控制高亮度的LED灯的驱动电流,使LED灯亮度达到预期恒定亮度。
HX3328在DIM端加PWM信号,可以进行PWM调光,DIM端同时支持线性调光。
HX3328内部还集成了VDD稳压管以及过温保护电路,减少外围元件并提高了系统的可靠性。并采用了ESOP8封装,底部散热片内置接SW脚。
二、特点
◆内置100V MOS
◆最大工作电流1.5A
◆宽压输入范围3.6-100v
◆高效率,可达93%
◆支持PWM和线性调光
◆最大工作频率:1MHz
◆CS电压:250mV
◆芯片供电欠电压保护:3.2V
◆关断时间可调
◆智能过温保护
◆内置VDD稳压管
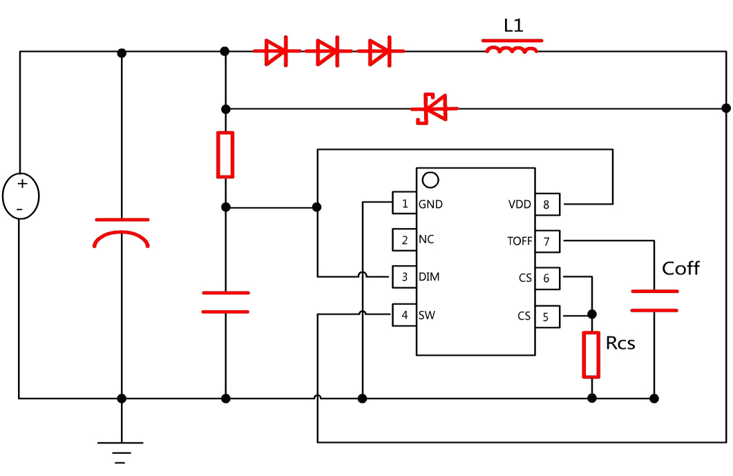
三、管脚图
|
脚位图 |
序号 |
管脚 |
功能 |
|
ESOP-8 |
1 |
GND |
接地 |
|
2 |
NC |
悬空 |
|
|
3 |
DIM |
调光脚,支持PWM调光和线性调光;DIM接地则关断输出,DIM电压高过3.0V则电流100%输出 |
|
|
4 |
SW |
开关脚,接内置MOS管漏极 |
|
|
5 |
CS |
5,6脚短接,电感峰值电流检测脚 |
|
|
6 |
CS |
5,6脚短接,电感峰值电流检测脚 |
|
|
7 |
TOFF |
关断时间设置 |
|
|
8 |
VDD |
芯片电源 |
四、应用领域
◆自行车,电动车,摩托车灯
◆强光手电筒
◆LED射灯
◆大功率LED照明
◆LED背光灯
应用
上一条 : HX3326A DC-DC降压恒流LED驱动IC
下一条 : HX3330B DC-DC升压恒流LED驱动IC
