- 手机:
- 137 6026 2620
- 经理:
- 何经理
- 邮箱:
- jesion.he@ac-led.com.cn
- 地址:
- 深圳市光明区公明街道上村上辇工业区5栋3楼
产品概述可控硅及开关调光、调色芯片规格书
球泡灯,日光灯,筒灯,吸顶灯,灯条
一、特点
1、同时兼容可控硅调光及墙壁开关调节色温和亮度功能
2、输出电流可调1-60MA,恒流精度可达±5%
3、具有过温保护功能,无EMC问题
4、芯片与PCB共用铝基板
5、线路简单,成本低
6、ESOP8封装
二、概述
HX2088是一款可调节色温和亮度的线性恒流IC,输出电流可调,恒流精度高,应用方案简单,具有过温保护功能,更安全更可靠。
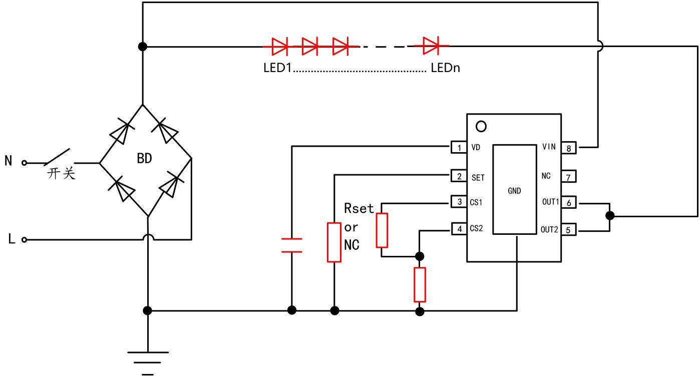
高PF无电解开关调色原理图
高PF无电解开关调光原理图
六、极限参数
如无特殊说明,环境温度为25℃
|
特殊参数 |
符号 |
范围 |
|
OUT端口电压 |
VOUT |
-0.5 - 500v |
|
OUT端口电流 |
IOUT |
1 - 60mA |
|
工作温度 |
TOPT |
-40 - +120℃ |
|
存储温度 |
TSTG |
-50 - +150℃ |
|
ESD耐压 |
VESD |
2KV |
七、器件工作参数
如无特殊说明,环境温度为25℃
|
参数 |
条件 |
最小值 |
典型值 |
最大值 |
单位 |
|
端口耐压 |
Iout=0 |
500 |
- |
- |
V |
|
输出电流 |
- |
1 |
- |
60 |
mA |
|
静态电流 |
Vout=30v,CS悬空 |
- |
0.11 |
- |
mA |
|
Vcc-on |
Vcc启动电压 |
|
6.5 |
|
V |
|
Vcc-off |
Vcc欠压保护阀值 |
|
5.5 |
|
V |
|
Iset |
模式选择电流 |
|
30 |
|
uA |
|
CS端口电压 |
Vin=30v,Vout1=10v,Vout2=10v |
- |
0.6/0.3 |
- |
V |
|
Iout误差 |
Iout=20mA |
|
±5% |
|
% |
|
温度补偿点Tsc |
- |
|
140 |
|
℃ |
八、功能描述
HX2088是一款开关调节亮度和色温的LED恒流驱动芯片,集成了高压MOS管和JEFT高压供电功能,主要用于高压线性恒流方案。
1、供电
在系统上电后,VIN通过内部高压JEFT给芯片供电,当VCC的电压超过7V之后芯片开始工作。
2、调色模式
HX2088可以通过SET脚设置开关调色模式如下表:
|
SET |
状态切换顺序 |
LED电流切换顺序 |
|
悬空 |
OUT2→OUT1+OUT2→OUT1→OUT2 |
0.6/RS2→0.3/RS1+0.3/RS2→0.6/RS1→0.6/RS2 |
|
接地 |
OUT2→OUT1→OUT2 |
0.6/RS2→0.6/RS1→0.6/RS2 |
|
接电阻75K |
OUT2→OUT1→OUT1+OUT2→OUT2 |
0.6/RS2→0.6/RS1→0.3/RS1+0.3/RS2→0.6/RS2 |
|
OUT2: OUT2开启,以0.6V基准恒流; OUT1+OUT2: OUT1,OUT2开启,以0.3V基准恒流; OUT1: OUT1开启,以0.6V基准恒流。 |
||
3、调光模式
HX2088可以通过SET脚设置开关调光模式如下表:
|
SET |
状态切换顺序 |
LED电流切换顺序 |
|
悬空 |
100%→50%→X% |
0.6/RS2→0.3/RS2→0.6/(RS1+RS2) |
|
接地 |
100%→X% |
0.6/RS2→0.6/(RS1+RS2) |
|
接电阻75K |
100%→X%→50% |
0.6/RS2→0.6/(RS1+RS2)→0.3/RS2 |
|
OUT2: OUT2开启,以0.6V基准恒流; OUT1+OUT2: OUT1,OUT2开启,以0.3V基准恒流 OUT1: OUT1开启,以0.6V基准恒流 |
||
4、系统开关切换和系统复位时间
HX2088系统方案的开关时间和复位时间均由芯片VCC端口的电容容量决定的,建议取值2.2UF,耐压选取16V即可,系统切换时间在15-20mS之间,系统复位时间在5S左右,客户也可以根据实际情况调整电容的容值大小。
上一条 : HX1010C单路恒功率高压线性恒流IC
下一条 : DB5200BZ高PF无频闪可控硅调光IC

